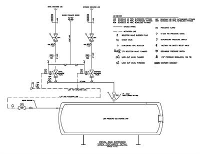
TechXpert Tip: LPCO2 Time Delay Selector Valve
LPCO2 selector valves with time delays are designed with a bleeder plug built into the assembly. This bleeder plug allows for venting of the time delay and valve actuator assembly. During normal operation of the time delay selector valve, actuation line pressure from the LPCO2 tank is used to operate the selector valve assembly. It starts with an electrical signal from the fire control panel which opens a solenoid valve allowing the actuation line pressure to enter the time delay and start the delay count down. In conjunction to the pressure going into the time delay assembly, pressure is also routed out to the siren/horn when utilized in the system as a pneumatic pre-discharge alarm.
The purpose of the bleeder valve is to vent all pressure from the actuator and delay assembly so that the spring inside of the actuator can close the valve. When a siren/horn is used the bleeder plug is removed from the system as the siren/horn now becomes the bleeder. In the situation where a single valve is operating a siren the bleeder plug does not need to be reinstalled.
In a situation where we would have two valves drive a shared siren/horn the bleeder plugs must be re-installed in the actuation line piping. The reason for this type of set up would be an initial and extended discharge set up for a single hazard sharing a pneumatic siren/horn. In this type of set up we utilize check valves in the line so that pressure from the extended discharge valve feeding the siren/horn does not back feed into the initial discharge valve causing it to remain open. If this were to occur or pressure was trapped on the side of the selector valve prior to the check valve it will not be allowed to vent keeping the discharge valve open until the extended valve closes or the tank is emptied, which ever would come first depending on flows and tank sizing. This is the reason the bleeder plug must be installed back into the line so that pressure is not trapped keeping the other discharge valve open. You will see below an example layout of a shared siren/horn set up utilizing check valves and the bleeder plugs provided with the selector valves to prevent the above situation from occurring.
More Information:
